Printable DB
02 Chevy Venture Wiring Diagram
template internal audit memo sample
staffing model template excel
smart goals template excel free
uva accounting certificate
yeezy receipt template
usa jobs resume service
wiring diagram for turn signal switch
triumph wiring diagram with boyer
I Need The Wiring Diagram For A Chevy 2002 Venture Problem
Solved Need A Brake Light Wiring Diagram For A 2002 Chevy
2003 Chevy Venture Wiring Diagram Wiring Schematic Diagram
I Need The Wiring Diagram For A Chevy 2002 Venture Problem
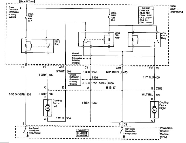
2002 Chevy Venture Overheating Working On A Overheating
2003 Chevy Venture Wiring Diagram Wiring Schematic Diagram
2003 Chevy Venture Wiring Diagram Wiring Schematic Diagram
04 Chevy Venture Wiring Diagram 2004 Chevy Venture Fuse Box
I Need A Headlight Wiring Diagram For The 04 Chevy Venture
2003 Chevy Venture Wiring Diagram Wiring Schematic Diagram
2002 Pontiac Montana Electrical Problesi
2002 Chevy Venture Wiring Diagram Wiring Diagram
2003 Chevy Venture Wiring Diagram Wiring Schematic Diagram
Wiring Diagram Venture Questions Answers With Pictures
2003 Chevy Venture Wiring Diagram Wiring Schematic Diagram
2001 Chevrolet Venture Wiring Diagram Free Picture Wiring
2002 Chevy Venture Overheating Working On A Overheating
Venture Wiring Diagram Installation Parts Harness Wires Kits
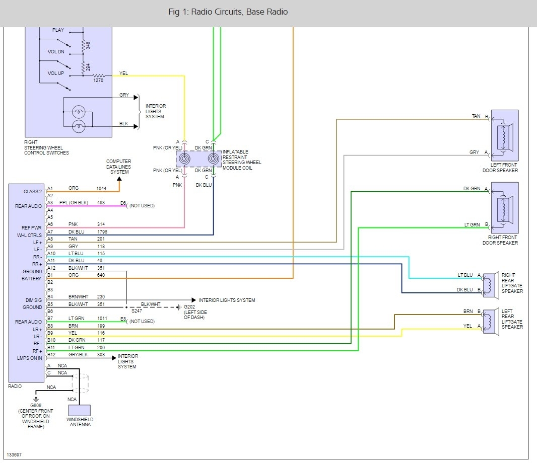
2003 Chevy Venture Radio Wiring Diagram Wiring Schematic
2002 Chevy Venture Overheating Working On A Overheating
Solved Need Wiring Diagram For Taillights On 2000 Chevy V
Source :
pinterest.com
Popular Posts
Permanent Residency Sample Letter Of Recommendation For Immigration
See 2004 Ford Tauru Fuse Box
Recruitment Flyer Template Free
Payment Plan Agreement Template Word
Marriage Contract Marriage Agreement Sample
Printable Snowman Template Print
Printable Prayer Request Template
Monthly Menu Planner Template Excel
Scat Math Worksheets
Printable Babysitting Flyer Template Google Docs
Monthly Planner January 2019 Printable
Qms Sop Template
Part Time Job Resume Examples For Students With No Work Experience
Sample Business Apology Letter For Late Payment
Project Proposal Powerpoint Template Free Download
Sales Funnel Template Powerpoint
Pdf Free Printable Bill Of Sale
Maternity Leave Letter To Employer Sample Philippines
Recipe Template For Word Free
Pearson Education First Grade Math Worksheets
Safety Newsletter Template
Receipt Book Size In Inches
Paper Diaper Template
Multiplication Flash Cards Printable Front And Back Free
Security Policy Document Template
Other Skills In Resume
Printable Vintage Movie Ticket Template Free
New Product Survey Template
Printable 4th Grade Reading Worksheets
Reference For Renting A House Template
Lunch Schedule Template Excel
Preschool Pattern Worksheets Printable
Online Revit Certification
List Of Resume Adjectives
Restaurant Chef Job Description Sample
Sales Enablement Plan Template
Program Brochure Templates
Oracle Database Diagram Sql Developer
Printable Circle Sticker Labels
Sharepoint Faq Template
Leave Letter To Employer Sample
Royal Wiring Diagram
Printable W2 Form For Employees
My Snagajob Resume
Procedure Manual Template Word Free
Printable 3rd Grade Eog Reading Practice Test
Printable Multiplication Sheets
Line Output Converter Wiring Diagram
Polysomnography Certificate Program
Security Presentation Template
Scrum Board Excel Template
Mazda B2200 Wiring
Self Employed Blank Self Employed Invoice Template Uk
Rj45 Cat 5e Wiring Diagram
Printable Wedding Budget Checklist