Printable DB
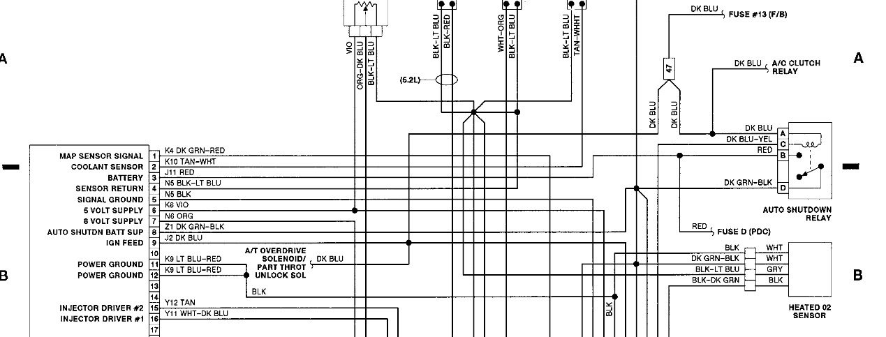
1991 Dodge Alternator Wiring Diagram
free wine bar business plan template
how to submit receipt for starbucks stars
dodge ram 1500 transfer case fuse box
invitations baby shower girl free printables
fraction review worksheet 5th grade
free power bi dashboard templates
diy gift certificate holder
evolution by natural selection worksheet answer key
Alternator Wiring Dodge Diesel Diesel Truck Resource Forums
1991 Dodge Dakota Charging Problem Ok After Reading A Lot
1991 Dodge D150 Wiring Electrical Diagrams For Chrysler
Thnx In Advance For Any Help I Have 1990 Dodge D250 Cummins
Alternator Not Charging Testing Voltage Control Dodge
Engine Compartment Wiring Diagrams Dodge Diesel Diesel
1991 Dodge W250 Wiring Diagram Wiring Diagrams Online
Dodge Durango Alternator Wiring Diagram Wiring Diagram
My 1991 Dodge Dakota V8 Does Not Charge I Believe It Is The
Solved Need Wiring Diagram For 1984 Dodge 250 Camper Van
Dodge Alternator Wiring Wiring Diagram
Gm Alternator Wiring Ricks Free Auto Repair Advice Ricks
1997 Dodge Dakota Altenator Not Charging Battery Electrical
Wiring Diagram 1992 Dodge D250 Cummins Digital Resources
How To Wire Up A External Voltage Regulator For Dodge Chrysler Jeep Bypass The Computer
Alternator 101 Dodge Diesel Diesel Truck Resource Forums
Repair Guides
Diy External Voltage Regulator Conversion Dodgeforum Com
Dodge Alternator Wiring Wiring Diagram
Alternator Regulator Kit Dodge Cummins Alternator
Dodge Dakota Wiring Diagrams And Connector Views
Source :
pinterest.com
Popular Posts
Wharton Leadership And Management Certificate
Yet Another Mail Merge Templates
Subaru Wrx 2010 Wiring Diagram
Video Templates Free Download
Subaru Forester Evap System Diagram
Wiring Diagram Yamaha Dt250
Victory Speech Samples
Starter Explorer Wiring Solonood
Word Document Fact Sheet Template Microsoft Word Free
Smart Car Engine Diagram
Ultimate Template Tool
Swfl Goodwill Receipt
Statement Template Pdf
Sole Trader Basic Invoice Template Uk
Timeline Video Template
Understanding Addiction Worksheet
Unpaid Leave Letter Sample From Employer Covid 19
Verbatim Printable Cd
Teleflex Ih15105 Tachometer Wiring Harnes For Mercury Mariner 5
Wrt Certification Online
Training Course Training Flyer Template Free
Succession Planning Template
Zumba Certification Classes
Wiring Diagram Kohler Engine
Thermal Receipt Paper Rolls 3 1 8 X 230
Summit Stair Lift Wiring Diagram
Teachers Worksheets For Kindergarten
Starter 1997 Toyotum 4runner Fuse Diagram
Wiring Diagram For 1968 John Deere 110
Word It Company Profile Sample
Sugar Skull Drawing Template
Undergraduate Research Statement Template
Work Event Invitation Template
Team To Do List Template
Tpi Wiring Schematic
Tuesday Kfc Coupons 2019 Printable
Wooden Floor Printable
Template For Art Show Labels
Vehicle Insurance Template
Southern Baptist Church Budget Template
Today Printable Subway Coupons
Startup Financial Model Template
Spa Brochure Templates
Wiring Diagram For 1964 Chevy Impala
Word Document Downloadable Printable Gift Certificate Template
Squarespace One Page Template
Templates Powerpoint Gratis
Volvo T6 Engine Diagram
Subtraction Worksheets For Grade 2 With Borrowing
Wiring Jk Harnes Wrangler 48011598ac
Wiring Diagram 95 Ford Ranger
Wiring Hp Mh
Soft Reminder Email Sample
Yamaha Maxim 650 Chopper Wiring Diagram
Wiring Diagram For Fender Telecaster