Printable DB
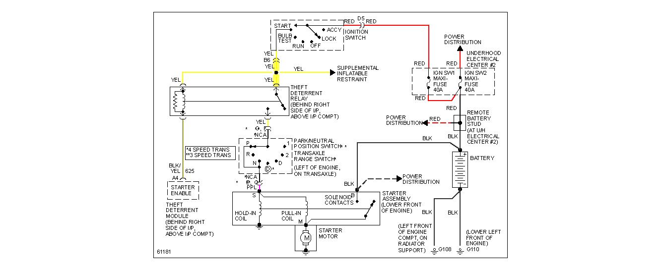
1994 Pontiac Grand Prix Starter Wiring Diagram
free first grade math coloring worksheets
forklift certification oregon
homebase schedule template
downloadable lesson plan template nsw
end of summer party invitation templates free
free printable gift name tags printable
free printable employee sign in sheet template
journey map template free
Wiring Diagram 1999 Pontiac Grand Am Starter Wiring 2002
Solved Cant Remember What Wires Go Where On The Starter Fixya
Starter Wire Hook Up I Removed Starter Then Forgot What
Starter Wire Hook Up I Removed Starter Then Forgot What
Wiring Diagram 1999 Pontiac Grand Am Starter Wiring 1994
Need The Starter Ignition Wiring Diagram For A 98 Grand Am 4cyl
Solved Cant Remember What Wires Go Where On The Starter Fixya
05 Grand Prix Won T Start When Key Turned To Start
Wiring Diagram 1999 Pontiac Grand Am Starter Wiring 1994
Need The Starter Ignition Wiring Diagram For A 98 Grand Am 4cyl
1999 Pontiac Grand Am Gt Starter Wiring Diagram Questions
Starter Wire Hook Up I Removed Starter Then Forgot What
1999 Pontiac Grand Am Gt Starter Wiring Diagram Questions
On A 1994 Pontiac Grand Prix Wire Diagram Wiring Diagram
My 2004 Pontiac Grand Am Does Not Crank When The Ignition
1994 Pontiac Grand Prix Will Not Start I Have A 1994
Wiring Diagram 1999 Pontiac Grand Am Starter Wiring 1998
Where Is The Starter Relay Located On A 96 Grand Prix With A
Wiring Diagram 1999 Pontiac Grand Am Starter Wiring 1994
2006 Pontiac Grand Prix Wiring Diagram Wiring Library
02 Grand Prix Fuse Diagram Schematic Diagram
Source :
pinterest.com
Popular Posts
Printable Tide Coupons 2018
Puppy Health Record Printable
Plain Business Card Template Free
Parts Of A Microscope Worksheet Answers
Responsive Restaurant Website Templates Free Download Html With Css
Police Strategic Plan Template
Pill Bottle Label Template Photoshop
Microsoft Excel Loan Amortization Schedule Template
Response To Summons Template Florida
Self Employed Income Worksheet Fannie Mae
Real Estate Photography Contract Template
Milk Bone Coupons Printable 2018
Printable Tarot Journal Pdf
Rock Band Flyer Template
Minnie Mouse Bow Template
Quilt Marking Templates
Sales Trip Report Template
Microsoft Office Receipt Template
Sales Marketing Resume
Pamphlet Maker Free Printable
Long Term Goal Planning Template
Rejection Of Claim Letter Sample
Lucy 57 Le Paul Wiring Diagram
Payment Receipt E Receipt Template
Resume Format For Teenager
Postgraduate Certificate Online
Sample Holiday Announcement Letter
Safeway Resume Online
Microsoft Word Last Will Microsoft Word Will Template
Savings Account Register Printable
Padi Certification Oahu
Mazda 3 Intake Manifold
Printable Vegetarian Recipes
Online Job Resume Maker Free
Printable C5 Envelope Template Pdf
Perpetual Monthly Calendar Template Excel
Printable Number Crossword Puzzles
Project Initiation Request Form Template
Padi Certification Nj
Printable Weekly Paycheck Budget Template
Parts Of An Ecosystem Worksheet
Oreck Xl9100 Parts Diagram
Sample Powerpoint Template
Printable Years Of Service Certificate Template Free
Oil Of Olay Coupons Printable
Marketing Templates For Real Estate Agents
Rugged Ridge Rocker Switch Wiring Diagram
Microsoft Word Formal Letter Template
Mortgage Buyout Agreement Template
Sample Medical Bill Receipt
Minimalist Logo Template
Sample Case Study Analysis Format
Sample Of Recommendation Letter For University Admission Masters
Red Black And White Wedding Invitation Templates
Mercede Brake Diagram