Printable DB
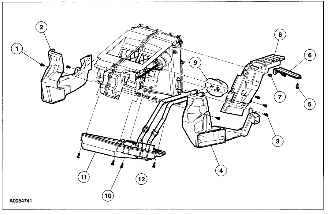
1998 Ford Explorer Heater Core Replacement
2012 ford f350 center console
business ledger printable
4 prong starter solenoid wiring diagram
bachelorette invitation templates free download
beginner kindergarten math worksheets pdf
annual leave extension request letter sample
cisco architect certification cost
2004 chevy silverado stereo wiring harnes diagram
Heater Core Replacement The Missing Steps Ford Explorer
2000 Ford Heater Core Replacement Easy
Heater Core Replacement The Missing Steps Ford Explorer
Trs Magazine 1998 Heater Core Replacement
Ford Explorer Mercury Mountaineer Removing Replacing Heater Core Ford Explorer Mercury Mountaineer Dismounting Heater Core Box
Trs Magazine 1998 Heater Core Replacement
Solved On A 1998 Ford Explorer Heater Core Replacement Fixya
Heater Core Replacement The Missing Steps Ford Explorer
Ford Explorer Heater Core Replacement
Heater Core Replacement How To Replace A Heater Core
Heater Core Replacement How To Replace A Heater Core
Heater Core Replacement The Missing Steps Ford Explorer
1998 Ford Ranger Heater Core Swap Part 1 Of 2
Heater Blend Door Repair On The 1993 1997 Ford Ranger
Replaced Heater Core Now Won T Start Ford F150 Forum
1996 Ford Ranger Heater Core How Do You Change The Heater
Easiest Way To Remove Dash For Heater Core Ford Truck
How To Flush A Heater Core 14 Steps With Pictures Wikihow
Repair Guides
Heater Core Replacement The Missing Steps Ford Explorer
5 Signs Of A Failing Heater Core And What To Do
Source :
pinterest.com
Popular Posts
Free Sample Of Affidavit Letter
Employment Contract Template Free
Free Printable Reading Comprehension Worksheets For 1st Graders
Dance Studio Newsletter Templates
Happy Birthday Spiderman Birthday Card Printable
Dpdt Center Off Switch Wiring Diagram
Elementary Classroom Newsletter Template
Free Printable Preschool Worksheets Letter I
Fuse Box 96 Jeep Grand Cherokee
Ff Ss Ll Worksheets
Fake Hospital Bill Template India
Ez Go Wiring Diagram Breakdown
How To Fix Up A Resume
Free Excel Task Tracker Template
Exercise Chart Template
Crown Molding Templates
Doctors Invoice Sample
Daily Bathroom Cleaning Checklist Template
Harnes Tview Repair Wire T1048dvfd
Custom 3 Part Carbonless Receipt Books
Disney Princess Birthday Tarpaulin Template
Daily Cash Register Balance Sheet Template Excel
Escape Room Birthday Invitation Template Free
Document Template Creator
Dr Axe Certification
How To Use A Template In Word 2016
Freelance Quote Email Template
Home In The Car Amp Wiring Diagram
Handyman Receipt Template
Jimmy Page Wiring Diagram Coil Split
Free Printable Morning Work For 3rd Grade
Honda Capa Fuse Box Diagram
Excel Proof Of Delivery Template
Employee Retirement Resignation Letter Samples
Edit Email Template
Counter Proposal Template
Happy Anniversary Card Printable
Honda Cbr 125 R Wiring Diagram
Fashion Design Templates
Excel Calendar Template 2014 15
Harvest Invoice Template
Diagram Of Gluteal Muscles
Dodge 2007 Ram 2500 5 7 Hemi Engine Diagram
Editing Invoice Template
Janitor Job Resume
Gantt Chart Excel Template Xls
Harry Styles Butterfly Tattoo Template
Hairdressing Rent A Chair Contract Template
Istqb Selenium Certification
Informal Business Meeting Invitation Email Sample
F150 Tail Light Wiring
Employee Sample Commission Agreement Letter
Free Quote Templates Excel
Electrical Schematic Wiring
Downloadable Free Simple Invoice Template