Printable DB
1999 Cadillac Deville Wiring Diagram
amt mlt certification
after effects demo reel template
1977 corvette starter schematic
13 week cash flow model excel template
auto transfer switch wiring diagram
construction site visit report template
agenda template free
achievement congratulation letter sample
1999 Cadillac Deville Wiring Diagram Questions With
98 Cadillac Deville Fuel Pump Wiring Diagram Fixya
1997 Cadillac Seville Sts Radio Wiring Diagram Wiring Diagram
2001 Cadillac Eldorado Wiring Diagram Wiring Diagram
Installing Pioneer In My Cadillac Ecoustics Com
1999 Cadillac Deville Wiring Diagram Questions With
1999 Deville Fuse Diagram Wiring Diagrams Folder
1999 Cadillac Seville Wiring Diagrams Cadillac Wiring
For A Wiring Diagram For The Stock Stereo And Amp For The
Short Circuit Cadillac 1992 Sedan Deville 158 000 V8 4 9
1999 Cadillac Fuse Box Technical Diagrams
Ignition Switch Stuck How Do I Replace The Ignition Lock In
94 Deville Wiring Diagram Schematics Online
94 Cadillac Fuse Box Wiring Schematic Diagram
2001 Cadillac Eldorado Wiring Diagram Wiring Diagram
1998 Cadillac Wiring Diagram Wiring Diagram
Wiring Diagrams 1999 Cadillac Seville Sls Wiring Diagrams
1996 1999 Cadillac Deville Seville Newrockies Inc
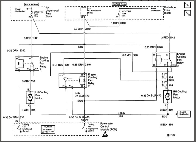
1998 Cadillac Deville Cooling Fans General Cadillac Forums
Radiator Fan Relays I Have Located The Cooling Fan Relays
1999 Cadillac Deville Wiring Diagram Questions With
Source :
pinterest.com
Popular Posts
Csm Certification Value
Free Printable Business Cards Microsoft Word
Impact Assessment Template Change Management
Ford Fuse Diagram 89 F 700
Family Member Sample Character Reference Letter For A Friend
Dessert Order Form Template
Elementary School Class Schedule Template
Ford 460 Distributor Wiring
Csm Certification Questions
Downloadable Spa Menu Template
Free Printable Worksheets For Kindergarten Shapes
Job Description Review Template
Jeep Yj Ignition Wiring Diagram
Free Printable Blood Glucose And Food Log Printable
Komatsu Fg Forklift Wiring Diagram 30011
Free Business Powerpoint Templates Download
Ezgo Rxv 48 Volt Wiring Diagram
How To Write A Report Template
Emergency Action Plan Template Pdf
Downloadable Lesson Plan Template Nsw
Free Printable Weekly Todo List Printable
Excel Daily Schedule Template 2020
Great Clips Coupons Printable
Employee Action Form Template
Employee Monthly Report Template Excel
Innovation Roadmap Template
Coping Skills Worksheets For Inmates
Indiana Child Support Worksheet Pdf
Healthcare Law Certificate
Did You Know Email Template
Gmc Savana Headlight Wiring Diagram
Gm Tbi Conversion Wiring Diagram
Get Iso Certification
Freelance Writer Content Writer Resume Sample
Gsr14 Wiring Diagram For Lennox Furnace
Gap Titan Antenna Wiring Diagram
Fuse Box Diagram For 2000 Lincoln L
Fillable Pay Stub Template
Editable Free Ticket Template
Free Printable Payment Book Template
How To Enhance Your Resume
Free Purchase Order Form Template Excel
Kwl Chart Template Pdf
Dog Walking Business Templates
Engine Indicator Diagram
Facebook Marketing Certification Free
Electrical Fuse Box Wiring
Glass Certificate Frames
Format Ms Word Sample Resume Download
Ktm 350 Xcf W Wiring Diagram
How To Copy Receipts
Free Fillable To Do List Template
Free Printable Greeting Card Envelope Template
Employee Appreciation Thank You Letter Sample
Excel Snowball Payment Excel Debt Snowball Spreadsheet