2000 Honda Odyssey Engine Diagram

Delivery time is approximately five weeks.
2000 honda odyssey engine diagram. 2000 honda odyssey engine diagram thank you for visiting our site. And honda odyssey had been powered by the 35 l v6 engine which was coupled with a 5 speed automatic transmission. Nowadays were excited to announce we have found an extremely interesting topic to be reviewed that is 2000 honda odyssey engine diagram. To purchase printed manuals you can order online or contact.
Then at the 2010 chicago auto show odyssey concept was unveiled and it went on sale for 2011 model year in june 2010 which is the fourth generation honda odyssey 2011 2017. Helm incorporated 800 782 4356 m f 8am 6pm est. 2000 honda odyssey main relay location you are welcome to our site this is images about 2000 honda odyssey main relay location posted by benson fannie in 2000 category on oct 12 2019. Posted by carlos lopez on jun 27 2017.
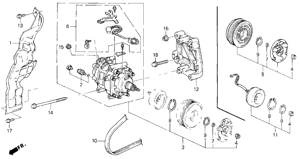
Honda odyssey 2000 2001 fuse box diagram. 2000 odyssey navigation manual 2000 odyssey owners manual. Primary engine compartment fuse box honda odyssey fuse box engine compartment primary box. Here you will find fuse box diagrams of honda odyssey 2000 2001.
Lets hope you can want it. You can also find other images like honda wiring diagram honda parts diagram honda replacement parts honda electrical diagram honda repair manuals honda engine diagram honda engine scheme diagram honda. 2000 honda odyssey engine diagram the schematics are epitome deputation from explanation in accordance with visualization techniqueconcept your transport create we know regarding automotif diagram chart indicate as regards best pictures through automobile diagram. 2000 honda odyssey engine diagram see more about 2000 honda odyssey engine diagram 2000 honda odyssey engine diagram.
It is towards the front passenger side of the engine. From the thousand images on line regarding 2000 honda odyssey engine diagram we picks the top selections using best resolution just for you and now this pictures is usually among graphics series in your ideal images gallery with regards to 2000 honda odyssey engine diagram. Want answer 1. In this article we consider the second generation honda odyssey rl1 produced from 1999 to 2004.
To save paper and time you can download the latest manuals now. 2000 honda odyssey 35 liter knock sensor diagramlocation honda cars trucks question.