2003 Acura Tl Blower Motor Wiring

If your connector looks like this it will need to be replaced.
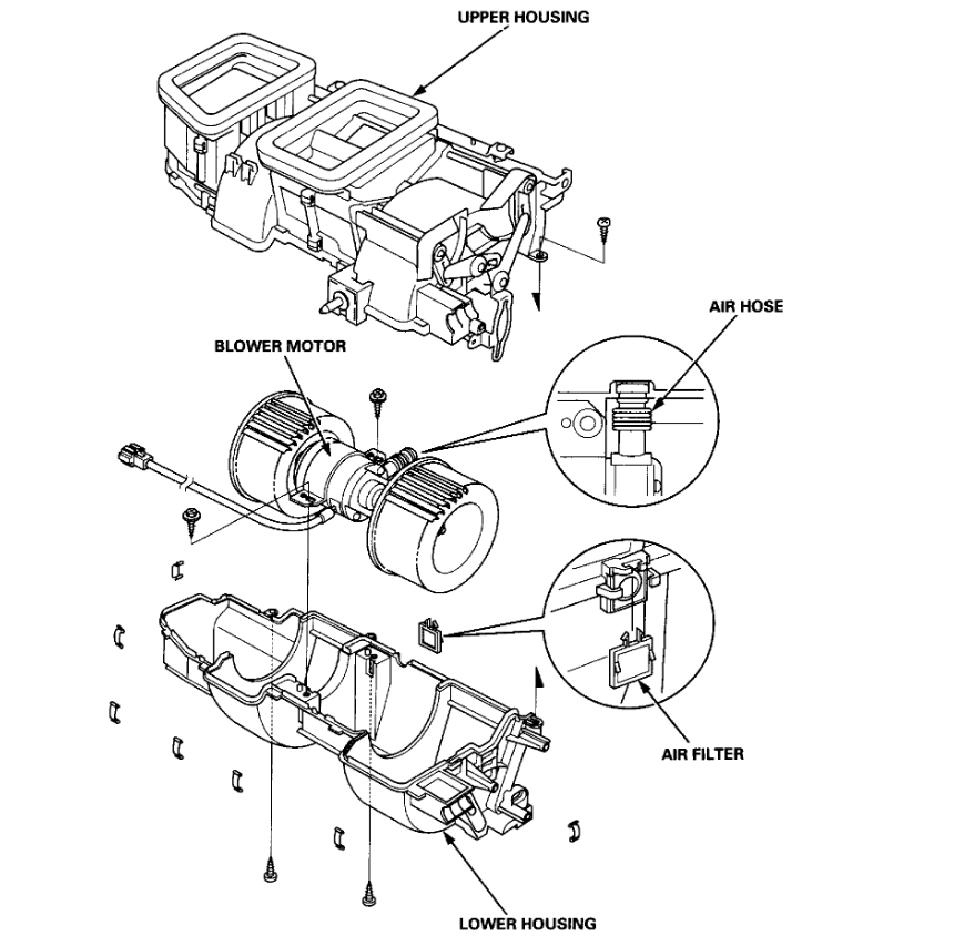
2003 acura tl blower motor wiring. This is from a 2002 acura tl type s. 2003 acura tl blower motor and resistor installation matt bopp. The connector on other acurashondas will look the same or similar to this. Fuel injector 00 03 gasket kit.
Switch for 2003 acura tl sedan. Sign up for our monthly newsletter to receive promotional coupons and stay up to date on sales. Here is an image of a burnt and corroded connector from the wiring harness of the blower motor. The blower motor wire harness was fried where it plugs into the blower motor.
Acura tl 2003 cabin air filter replace part 1. Acura tl blower stopped working. I ended up replacing the blower motor and the wiring. 2003 acura tl i have replaced the blower motor and the resistor and the blower motor fuse under the hood and the fuse in the car is good still wont blow i also.
I have a 2003 acura tl where the ac blower stopped working. Nut washer 6mm paint cutting 9. Disconnect the wiring connector from the blower motor to make sure there isnt any corrosion or connection issues. How to replace heater blower motor 94 97 honda accord duration.
Acura tl heater blower motor subwire wiring harness acura tl heater blower motor subwire wiring harness amazon tyc acura replacement blower assembly acura tl heater blower motor subwire wiring harness acura tl heater blower motor subwire wiring harness. 2003 acura tl sedan change vehicle.