Printable DB
2003 Chevy Trailblazer Thermostat Replacement
letter to vacate rental property template
shipping invoice template excel
pro forma worksheet
photo resume template word download
pre algebra math worksheets
online graph paper printable
note card template google docs
learn to read worksheets free
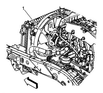
How To Replace A Thermostat 4 2 Envoy Or Trailblazer
Thermostat Replacement How Do I Replace The Thermostat
Chevrolet Trailblazer Thermostat Location Pictures
Thermostat Replacement How Do I Replace The Thermostat
2005 Trailblazer Thermostat Replacement
Chevrolet Trailblazer Thermostat Location Pictures
Replaced My Thermostat Last Weekend With Pics Chevy
Changing A Thermostat On 2003 Chevy Trailblazer Ls Youtube
Replace Thermostat Chevy Message Forum Restoration And
How To Step By Step Thermostat Replacement Chevy Trailblazer 4 2l Vortec 4200 Fix Repair
2004 Chevy Trailblazer Thermostat How To Replace Thermostat
2006 Chevrolet Trailblazer Thermostat Questions With
Beginners Question Chevy Trailblazer Trailblazer Ss And
Amazon Com Acdelco 15 11006 Gm Original Equipment Engine
Replace Thermostat Chevy Message Forum Restoration And
2005 Chevy Trailblazer Thermostat Location Youtube
Solved Where Is The Thermostat Sensor Located In A 2008 Fixya
Replace A Thermostat In A 2006 Hhr 2 4
Trailblazer Thermostats Best Thermostat For Chevy
Amazon Com Autohorizon Engine Coolant Thermostat Water
2 16 2011 Trailblazer Thermastat Replacement Youtube
Source :
pinterest.com
Popular Posts
2004 Accord Fuse Diagram
2011 Toyotum Corolla Fuse Diagram
50 Amp Square D Gfci Breaker Wiring Diagram
Coaching Resume Template
96 Chevy Blazer Ecm Fuse 10 Wiring Diagram
2012 Tundra Wiring Schematic
Blank Homeschool Progress Report Template
Birth Death Certificate
Bartolini Pickup Wiring Diagram
Assa Abloy Wiring Diagram
Biology Cells And Organelles Worksheet
Chamberlin Garage Door Sensor Wiring
Car Rental Quotation Sample
2005 Impala Wiring Diagram
Asbestos Removal Certificate
71 Bug Wiring Diagram
2 Way Switch Wiring Diagram Power At Switch
2016 Printable 1099 Tax Form
1995 Chevrolet Cavalier
Best Cover Letter Template Australia
Animation Cartoon Storyboard Template
1040 Medical Deductions Worksheet
Accounting System Manual Sample
2012 Gm Power Window Wiring
Construction Waste Management Plan Template
2002 Chevy Silverado Engine
Basic Computer Certificate Format In Word
Aws Certification Results
2005 Hyundai Accent Belt Diagram
Audit Template Word
Advice For Mommy To Be Free Printable
2004 Peterbilt Wiring Schematic For A 335
Accelerated Emt Certification
Baldor 220 Volt Wiring Diagram
Commercial Sublease Template
Bmw X5 Fuse Box Location 2008
Construction Project Construction Proposal Sample
1994 Ford Ranger Vacuum Hose Diagram
1990 Gmc Cheyenne Wiring Diagram
Appreciation Letter To Students Sample
2000 Mitsubishi Eclipse Fuse Box Diagram
Boy Scout Committee Meeting Minutes Template
82 Oldsmobile Fuse Box Diagram
1996 Ford E350 Fuse Diagram
Cash Payment Acknowledgement Receipt Format
1995 Mitsubishi Diamante
1992 F150 Wiring Harnes
3 Lamp Wiring Diagram
76 C10 Wiring Diagram
94 Ram Wiring Diagram
Blank T Shirt Template Transparent
Cafe Budget Template
1999 Yamaha Grizzly 600 Wiring Diagram
1996 Chevy Corsica Wiring Diagram
Basketball Court Lines Template