Printable DB
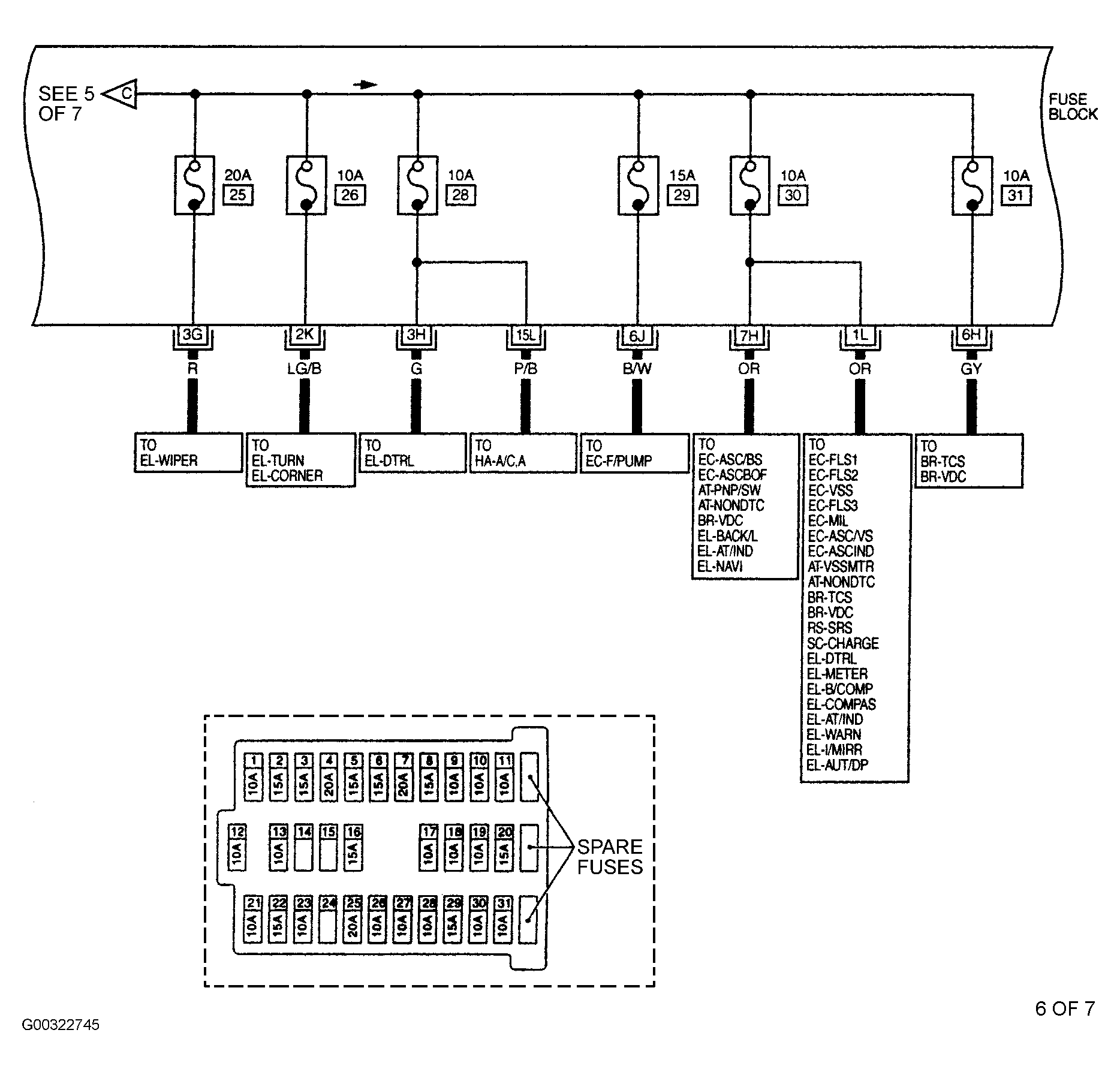
2003 Infiniti I35 Fuse Box Diagram
printable ss 4 form
mba student resume format
peugeot 405 wiring system
makeup artist contract template free
resume helper microsoft word
quinceanera invitation templates
sales report template excel
ppp loan calculator excel template
2003 Infiniti I35 Fuse Box Wiring Diagram
2003 Infiniti I35 Fuse Box Wiring Schematic Diagram 23
2002 Infiniti I35 Fuse Box Wiring Diagram
2002 Infiniti I35 Fuse Box Location Wiring Schematic Diagram
2002 Infiniti I35 Fuse Box Location Wiring Schematic Diagram
Solved I Need A Fuse Box Diagram For A 2001 Infiniti I30
Roger Vivi Ersaks 2004 G35 Fuse Box
Infiniti Qx4 Fuse Box Diagram Wiring Diagram
Where Is The Fuse Panel Located On The I35 Infinity 2002
2002 Infiniti I35 Fuse Box Location Wiring Schematic Diagram
2003 Infiniti G35 Bose Stereo Wiring Diagram Schematic Diagram
2003 Infiniti I35 Fuse Box Wiring Diagram
Infiniti G35 Fuse Box Location Also 2001 Infiniti Qx4 Fuse
2003 Infiniti G35 Fuse Box Diagram Image Details
Where Is The Fuse Panel Located On The I35 Infinity 2002
2003 Infiniti I35 Fuse Box Wiring Diagram
2003 Infiniti I35 Fuse Box Diagram Wiring Diagram
Solved Need Fuse Box Layout For A 1997 Infiniti I30 Fixya
I35 Fuse Diagram Wiring Library
2003 Infiniti I35 Fuse Box Wiring Diagram
I35 Fuse Diagram Wiring Diagram Echo
Source :
pinterest.com
Popular Posts
Will You Be My Godfather Printable Card
Wedding Table Setup Template
Weekly Work Report Template
Xlr To Trs Cable Wiring
Vehicle Graphics Templates
Top Of Resume Summary
Staples Order Form Template
Solar Panel Wiring Alternator
Simple Sample Last Will And Testament For Married Couple
Software Development Proposal Template Free Download
Vehicle Service Record Template Excel
Single Page Application Template Free Download
Social Media Calendar Template December 2019
Valeo Deutz Alternator Wiring Diagram
Volvo Xc60 Interior
Yamaha Electric Golf Cart Wiring Diagram G9
Template Free Printable Tooth Fairy Letter And Envelope
Ssl Certificate Fee
Simple Project Plan Template Excel
Ui Developer Certification
Welcome Subscriber Email Template
Spreadsheet Annual Business Budget Template Excel
Team Project Contract Template
Wiring Diagram For Led Under Cabinet Lighting
York Air Handler Wiring Diagram Model Ahe36c3xh21a
Timing Chain Mark
T Diagram For Nitrogen
Trailer Brake Wiring Harnes
Wiring Diagram For Pontoon Boat
Succession Planning Template
Word Document Format Word Document Questionnaire Template
Suburban Vortec Wiring Harnes
Table Tent Template Free Download
Tv Commercial Template Free
Template Social Security Award Letter Sample Pdf
Volvo S40 T4 Fuse Box
Simple Lease Agreement Template
Small Business Self Employed Small Business Profit And Loss Statement Sample
Single Phase Submersible Motor Winding Diagram
Unicorn Party Printables Free
Simple Marketing Campaign Template
What Kind Of Resume Should I Use For A Job
Wedding Card Design Template Psd
Youtube Video Template Download
Weekend Scuba Certification
Simple P L Excel Template
Trade Show Booth Schedule Template
Wiring Diagram 2007 Ford 500
Value Of Coins Worksheet
Software Development Roadmap Template
Western Star Fuse Diagram
Tavera Car Fuse Box Diagram
Word Scramble Worksheet For Grade 1
Traffic Management Plan Template South Africa
Template Physical Therapy Soap Note Example