Printable DB
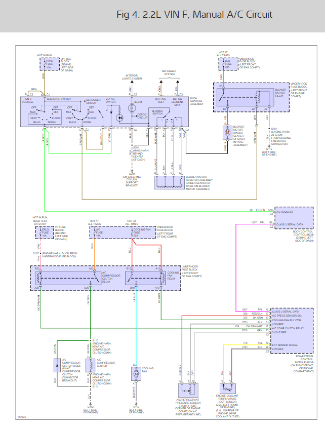
2004 Chevy Cavalier Ac Wiring Diagram
free printable santa postage stamps
fashion drawing template
double switch wiring diagram install
free printable princess baby shower invitations templates
event planning outline template
dashboard excel task tracker template
florida llc operating agreement template
feedback form template free download
I Have A 2002 Cheve Cavalier The A C Wont Work It Has Freon
2004 Chevy Cavalier Wiring Diagram Bcberhampur Org
Engine Cooling Fan Is Not Working At All On My 2004
2004 Chevy Cavalier Wiring Diagram Bcberhampur Org
2004 Chevy Cavalier Wiring Diagram Bcberhampur Org
2004 Chevrolet Cavalier Fuse Diagram Ricks Free Auto
Ac Compressor Not Working Ac Question I Have A 2002
Location Of The Horn Relay Electrical Problem 4 Cyl Two
2004 Chevy Cavalier Wiring Diagram Bcberhampur Org
Cavalier Wiring Schematic Questions Answers With Pictures
I Have A 2002 Cheve Cavalier The A C Wont Work It Has Freon
Chevrolet Cavalier Questions No Power At Pcm Inj Fuse
2004 Chevy Cavalier Wiring Diagram Bcberhampur Org
Wrg 2833 Cavalier Turn Signal Wiring Diagram
New 2004 Dodge Ram 1500 Ignition Wiring Diagram Diagram
Lg Window Ac Wiring Diagram Electrical Of Fantastic Harness
Ac Compressor Not Working Ac Question I Have A 2002
Zone Valve Wiring Diagram
2002 Chevy Cavalier Wiring Diagram Wiring Diagram
Solved Son Plugged Ac Dc Adapter Into Accessory Plug And
2002 Chevy Cavalier A C Sensor Repair Youtube
Source :
pinterest.com
Popular Posts
Co Worker Sample Letter Of Recommendation For Coworker
2000 Ford Explorer Engine Diagram
Cj7 4 Cylinder Engine Diagram
3 Pole Switch Wiring Diagramdefiant Timer
2003 Kium Sorento Trailer Light Wiring Diagram
1st Birthday Invitation Wording Samples
24 Inch Letter Stencils Printable
Blank Flyer Templates Free Download Word
200 Disconnect Meter Box And Diagram Wiring Schematic
Amsler Grid Printable Version
2003 Land Rover Discovery Fuse Box Location
2005 Ford F 150 Starter Fuse Box Diagram
Company Meeting Notice Of Meeting And Agenda Sample
Audi A4 B5 Central Locking Wiring Diagram Pdf
Construction Indemnity Agreement Sample
2002 Ford F250 Ignition Wiring Diagram
Bank Letter Of Guarantee Template
2004 Ford Expedition Wiring Diagram For Lighting
2001 Ford Windstar Under Hood Fuse Box
2006 Campion Explorer Wiring Diagram
2007 Chevy Cobalt Radio Wiring Diagram
Carnival Invitation Template
Amplifier Wiring Diagram
Blank Drivers License Template Philippines
2002 Hyundai Santum Fe Fuse Panel Diagram
Baby Shower Bookplate Template
Chronology Of Events Template Word
1998 Voyager Wiring Diagram
C Template Tutorial
Blank Balance Sheet Template
Birth Certificate Agents In Pune
Child Care Receipt Template Word
1998 Lexu Es300 Stereo Wiring Diagram
Az 100 Certification
4x6 Flyer Template Photoshop
Bank Business Loan Application Letter Sample
100amp Generac Transfer Switch Wiring
Attic Insulation Certificate
1986 Car
Calendar Template With Lines
1999 Ford Expedition Starter Wiring Diagram
2006 F350 Silver
Certificate Of Excellence Template Editable
Advertising Contract Template Word
2012 Honda Rebel Wiring Diagram
Circulatory System Worksheet Free
1995 Chevrolet Fuse Box
2011 Ranger Wiring Diagram
2004 Audi A6 Stereo Wiring Diagram
Bmw E38 Radio Wiring Diagram
2013 Lincoln Mkt Engine Diagram
1999 F150 Fuse Panel Diagram
1985 Buick Century Wiring Diagram
2001 Saab 9 3 Fuse Diagram
3d Cuboid Template