Printable DB
96 Acura Tl Engine Diagram
frigidaire wall oven wiring schematic
contractor renovation contract template
end of day report template
home health aide resume description
door for honda odyssey fuse box
dumbwaiter wiring diagram
custom template maker
free android templates
96 Acura 2 5 Engine Diagram Wiring Resources
2003 Acura Engine Diagrams Wiring Schematic Diagram
Repair Guides
1999 Acura Tl Starter Battery Just A Click When Trying To
1996 Acura 3 2tl Serpentine Belt Routing And Timing Belt
I Have A 1996 Acura Tl 2 5 That S Running Ruff Changed
Repair Guides
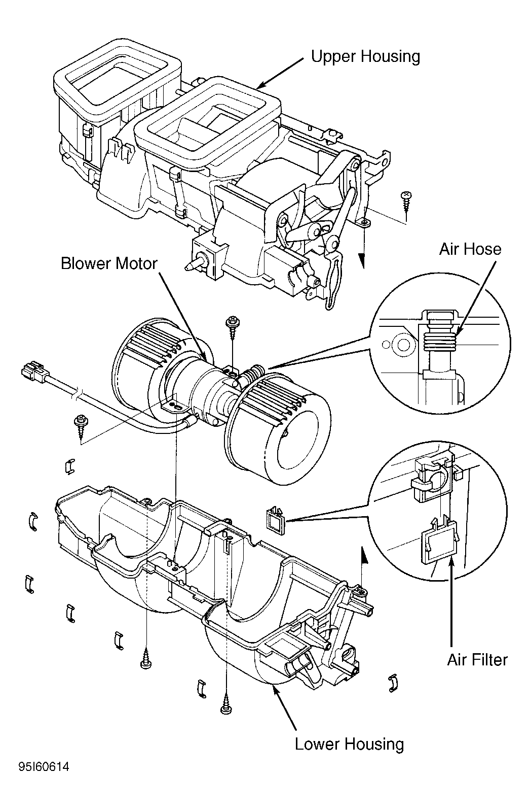
Blower Motor Replacement I Was Trying To Replace My Blower
Acura 3 2 Tl And Acura 3 2 Cl Timing Belt Replacement Tips
96 Tl 2 5 Fuse Box Diagram Help Please Acurazine Acura
Repair Guides
I Have A 1996 Acura Tl 2 5 That S Running Ruff Changed
96 Tl 2 5 Fuse Box Diagram Help Please Acurazine Acura
2005 Acura Tl Engine Diagram Also 1996 Acura Tl 3 2 Engine
I Need Directions And A Diagram To Replace The Crankshaft
Acura Tl Questions Does Anyone Have A Picture Or Diagram
Blower Motor Replacement I Was Trying To Replace My Blower
Details About Acura Honda Oem 96 98 Tl Engine Motor Mount Side 50851sz5000
Solved How To Replace Starter In 1996 Acura Tl 2 5 Fixya
2003 Acura Engine Diagrams Wiring Schematic Diagram
Wrg 5624 96 Acura Tl Engine Diagram
Source :
pinterest.com
Popular Posts
Conditional Lien Waiver Template
Best Keynote Presentation Templates
Car Engine Gasket Diagram
Cheapest Fitness Certification
Chevy 6 2 Diesel Starter
Ai Certificate Online
2001 Jeep Radio Wiring Diagram
Ayurvedic Cooking Certification India
1973 Jeep Cj5 Hardtop
1971 Ford F250 Wiring Diagram
Aaon Wiring Schematic
2 Digit By 2 Digit Multiplication Word Problems Worksheets Pdf
Business Proposal One Page Business Plan Template Word
Bt Phone Junction Box Wiring Diagram
2007 Jeep Wrangler Fuse Panel
Club Cart Solenoid Wiring Diagram
Chrysler 300 Rear Fuse Box Diagram
Accounting Internship Resume Templates
7th Grade Math Worksheets
67 Mustang Engine Diagram
2000 F350 Sel Fuse Box Diagram
1990 Ford 460 Engine Diagram
4x6 Graduation Invitation Templates
Business Sales Memorandum Template
125 Volt 50 Amp Rv Plug Wiring Diagram
Artist Terms Of Service Template
1968 Camaro Console Wiring Diagram
Best Free Responsive Blogger Templates 2019
1999 Pontiac Grand Prix Engine Diagram
Cia Certification Exam Questions
2005 Ford Explorer Radio Wiring Harnes Diagram
Avery 3261 Template
Club Car Ga Cart Wiring Diagram For 1984
97 Gmc Wiring Schematic
3pl Rfp Template
Alzheimers Association Donation Receipt
Business Accounting Ledger Template
1965 Mustang Color Wiring Diagram
2007 Ford E 450 Bu Fuse Diagram
Blank Invoice Template Free Download
2008 Jeep Wrangler Fuse Box Layout Diagram
1998 Navigator Fuse Diagram
1978 Ford F 150 Wiring Harnes
3rd Grade Michigan History Worksheets
1998 Honda Accord Radio Wiring Diagram
Certificate Programs Ucf
2 Pin Battery Wiring Harnes
Ab Dwv Coupling Diagram Residential
Annotated Psa Copy Birth Certificate
1964 Colored Wiring Diagram The 1947 Present Chevrolet Gmc Truck
2004 Mazda Tribute 3 0 Engine Intake Manifold Diagram
5161 Label Template Word
Company Profile Sample For It Service
Alcohol Safety Certification
12v Wire Diagram