Printable DB
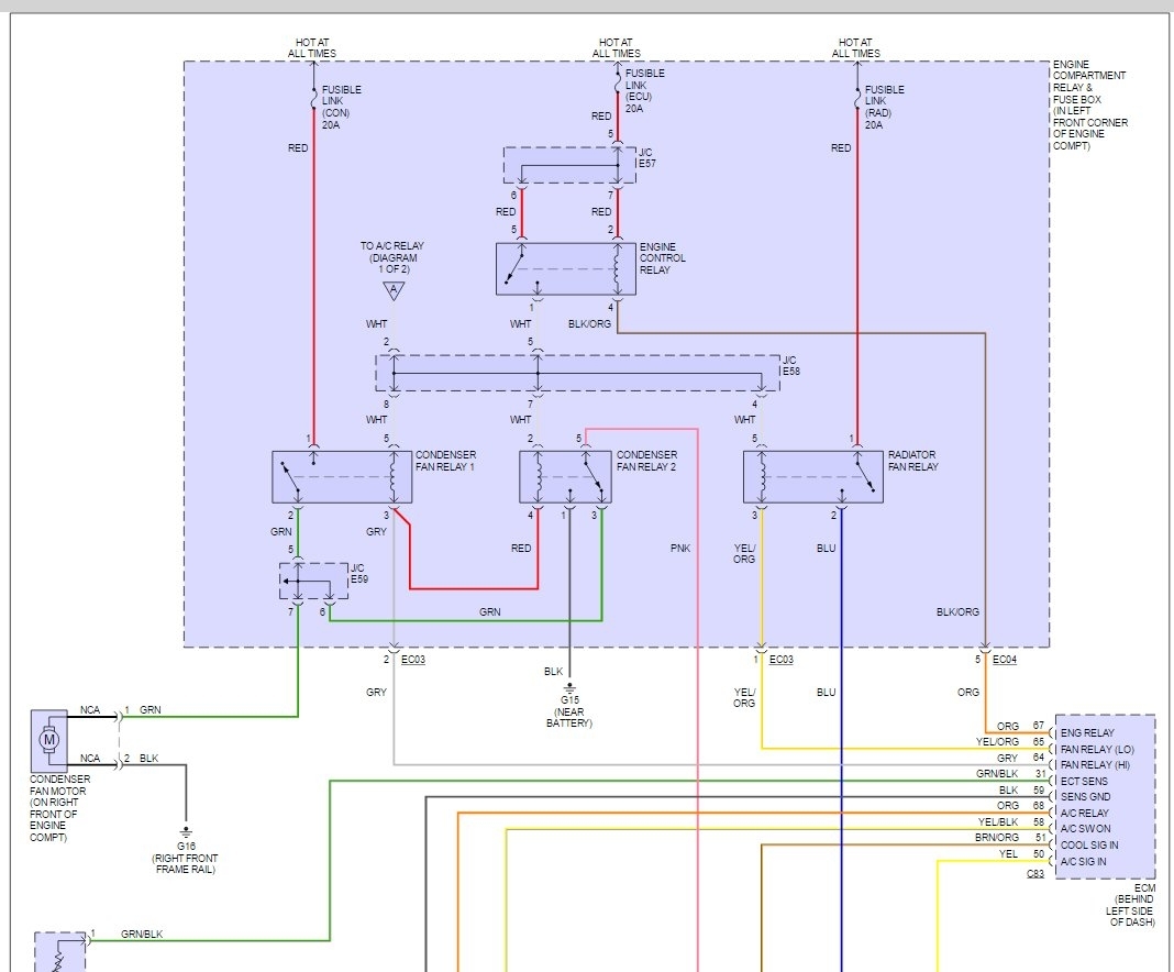
Air Cond 2006 Hyundai Accent Wiring Diagram
wiring diagram of refrigerator
stewart warner gauge wiring diagram
willy 475 wiring diagram
widescreen storyboard template
software development company website template
wiring diagram ceiling fan
star delta reverse forward diagram
vehicle sale agreement sample
Air Cond 2006 Hyundai Accent Wiring Diagram Manuals Service
Air Cond 2006 Hyundai Accent Wiring Diagram Wiring
Hyundai Wiring Diagrams 2001 To 2006 Youtube
How To Jumper A C Pressure Switch
2004 Hyundai Sonata Engine Diagram
2004 Hyundai Sonata Engine Diagram
Repair Guides
How To Jumper A C Pressure Switch
Hyundai Getz A C Interior Blower Doesn T Turn Off
2006 Hyundai Santa Fe Engine Wiring Diagram Wiring Diagram
A C Clutch And Coil Problem Ericthecarguy Ericthecarguy
Repair Guides
Hyundai Getz A C Interior Blower Doesn T Turn Off
Free Reading 2002 Hyundai Sonata Wiring Diagram Epanel
Hyundai Accent Stereo Wiring Diagram Hyundai Accent
Blower Motor Resistor How It Works Symptoms Problems
Air Cond 2006 Hyundai Accent Wiring Diagram Diagrams Online
Hyundai Wiring Diagram Radiator Fans Ricks Free Auto
2006 Hyundai Sonata Fuel Pump Wiring Diagram Image Details
How To Replace A Heater Blower Motor Switch Or Relay
How To Jumper A C Pressure Switch
Source :
pinterest.com
Popular Posts
Safe Staff Certification
Simple Commission Agreement Template Word
Resume Io Templates
Powerwise Charger Wiring Diagram
Problem Solving Worksheets For Adults Pdf
Rustic Tag Template
Rental Service Agreement Template
Parent Permission Slip Template
Range Hood Switch Wiring Diagram
Movie Poster Template Transparent
Mba Application Resume Sample
Simple Bill Of Sale Template
Real Estate For Sale Signs Templates
Printable Umbrella Coloring Pages
Printable Irs Mileage Log Template
New Mexico Will Template
Mason Jar Label Template
New Year Maths Worksheets
Shunt Trip Breaker Diagram
Porsche Boxster Fuse Box Diagram
Online Estimate Template
Mortgage Assumption Agreement Sample
Modern Email Newsletter Templates
Meter Socket 200 Amp Meter Base Wiring Diagram
Pals Certification Atlanta
Meeting Agenda And Minutes Template Word
Resume Revision Service
Sample Cover Letter For Entry Level Job With No Experience
Resume Cover Letter Template Google Docs
Law School Personal Statement Sample Essays
Printable Quilting Quotes
Recognition Letter Sample Free
Prefix Worksheets 2nd Grade
Save The Date 80th Birthday Template
Radicals And Rational Exponents Worksheet
Led String Light Part Diagram
Printable Marlboro Coupons 2019
Personal Budget Template Excel
Sample Real Estate Market Analysis Report
Rhinestone Letter Templates
Self Employed Invoice Template For Independent Contractor
May Calendar Template Excel
Lutron 3 Way Dimmer Wiring
Operational Plan Template Word
Personal Loan Agreement Letter Sample
Printable Paparazzi Number Cards
List Of Resume Adjectives
Printable Personalized Gift Tags
Resume Builder Cv Maker
Map Skills Worksheets 6th Grade
Receipt Scanning Software Mac
Middle School Block Schedule Template
Photocell Panel Wiring Diagram
Malaysia Birth Certificate Lost
Saab Alternator Wiring Diagram