Printable DB
Audi A6 Air Con Wiring Diagram
invest in yourself note taking guide worksheet answers
ga metal arc welding certificate
free table number template microsoft word
eyebrow certification classes
indesign recipe template free
driver trainer certification
invoice and receipt template
for a 1991 dodge ram fuel filter location
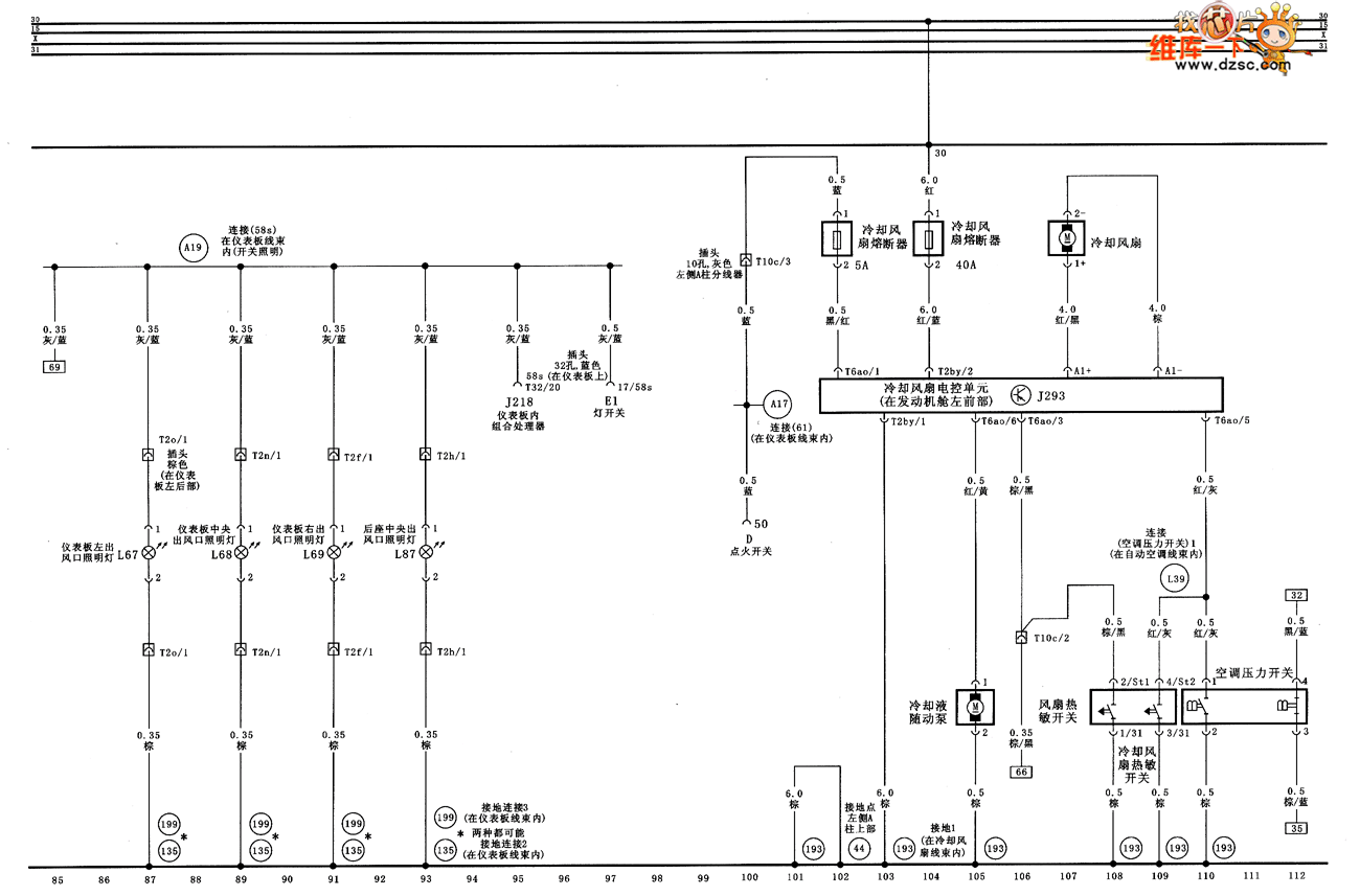
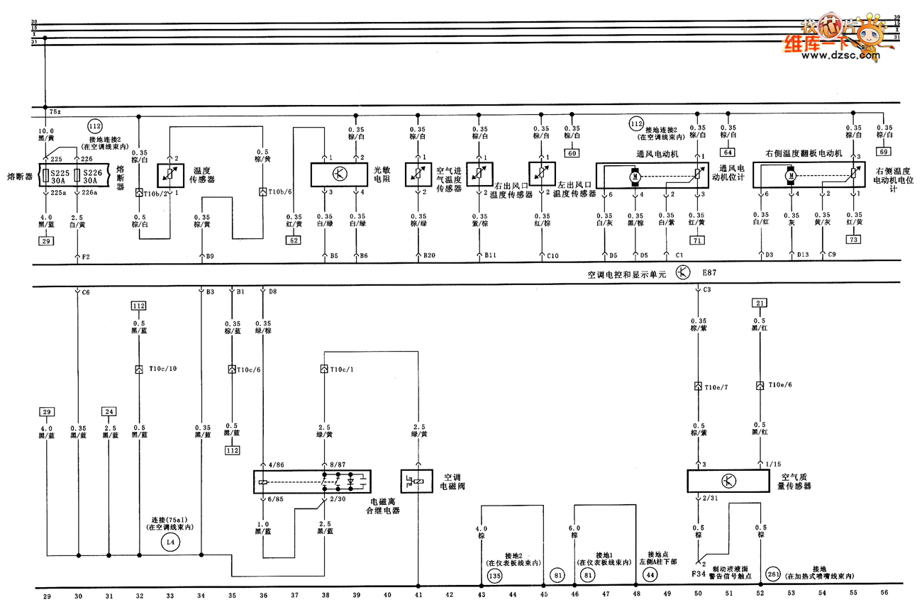
Audi A6 Saloon Car Air Conditioner Circuit Diagram Four
Audi A6 Saloon Car Air Conditioner Circuit Diagram Two
Audi A6 Saloon Car Air Conditioner Circuit Diagram One
Wrg 0526 Audi A6 Air Con Wiring Diagram
Wiring Diagrams Audi A6 Wiring Diagram
Audi Ac Wiring Diagrams Wiring Diagram
Audi A4 B5 Wiring Diagram Guide And Manual
All Wiring Diagram August 2017
Wrg 3209 Audi A6 Air Con Wiring Diagram
Audi Ac Wiring Diagrams Wiring Diagram
Audi Seat Wiring Wiring Library
Audi Air Conditioner A C Recharge Instructions Pictures
13 Best Wiring Schematics Images Benz Mercedes Benz Forum
Ac Compressor Won T Run Ricks Free Auto Repair Advice
Ac Relay Or Other Issue Where And Who Is It Audiworld Forums
Location A4 B7audi Ac Refrigerant Switch High Low Pressure Thrust Sensor
A C Info Please Audiforums Com
Details About Audi Oem Ac A C Air Conditioner High Pressure Relief Valve 8a0820855aa
Aan Ecu T55 Pin Out With Hyperlinks To Devices Audiworld
Chrysler Wiring Diagrams
All Wiring Diagram August 2017
Source :
pinterest.com
Popular Posts
Clock Template For First Grade
Block Diagram For Control System
98 Ford Ranger Radio Wiring Diagram
2003 Mercede S430 Fuse Diagram
2009 Subaru Forester Wiring Diagram
2001 Honda Civic Window Electrical Wiring
2001 Honda Accord Serpentine Belt Diagram
2013 Lexu I Fuse Box
2000 Mercury Cougar 2 5l Engine Diagram
Avery 5263 Template For Mac
5th Grade Multiplication Worksheets Grade 4
Behavior Interventionist Certification
99 Jettum Engine Bay Diagram
53 Ford Naa Wiring Diagram 12v
Agreement Loan Contract Sample
Big Life Journal Printables Free
Booking Calendar Template Html
2013 Smart Car Fuse Box Layout
Catering Contract Template Uk
Apha Cpr Certification
1964 Old Cutlas Wiring Diagram
1997 Land Rover Discovery Radio Wiring
30 Day Notice Apartment Letter Sample
1993 Toyota Pickup Wiring Diagram
2013 Ford F650 Fuse Box Diagram
49cc Engine Diagram
2016 Dodge Journey Radio Wiring Diagram
10 Point Meter Pan Wiring Diagram
2002 Ford F350 Ga Fuel Filter
Comprehension Worksheets For Grade 1
2005 Gmc Radio Wiring Harnes
Academic Resume For Masters Application
1998 Chevy Prizm Fuse Box Diagram
1997 Honda Cr V Door Wiring Harnes
2008 Chevrolet Cobalt Fuse Diagram
Auto Repair Quote Template Free
After Effects Photo Montage Template
Advertising Email Template
Celebration Of Life Announcement Template
2009 Scrambler Wire Diagram
Caps Lesson Plan Template Pdf
2006 Impala Speaker Wiring Diagram
Alldatadiy Gift Certificate
Botox Injection Certification
1997 Chevy Blazer Radio Wiring
2004 Passat Engine Diagram
Blog Content Planner Template
90th Birthday Invitation Template
2004 Lincoln Town Car Engine Diagram
2002 Xterra Engine Wiring Diagram
Avery 5160 Free Printable Address Label Templates
Cna Pct Certification
Amf Golf Cart Wiring Diagram
Blank Fake Checks Printable
2006 Murano Fuse Diagram