Clifford Alarm System Wiring Diagram

Clifford security system user manual 30 pages.
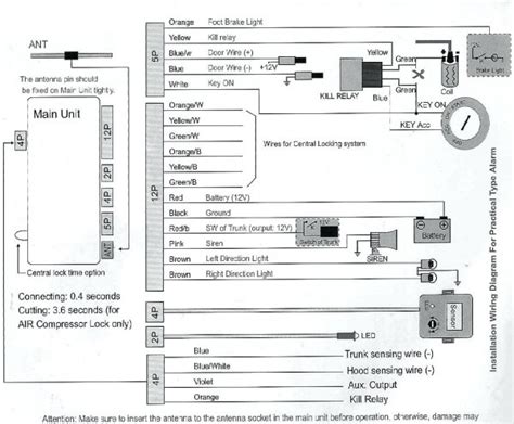
Clifford alarm system wiring diagram. Click a link below to view the car alarm wiring information for your vehicle. Commando car alarms offers free wiring diagrams for installing your alarm remote car starter keyless entry or power door locks in your car or truck. Clifford is the most recognized name in vehicle security and remote start systems. Page 3 for the latest vehicle wiring information and for wiring diagrams and servicing information on older clifford products.
Python security installation guide. If a window is open the acoustics of the vehicle interior change dramatically. Whether your an expert installer or a novice enthusiast an automotive wiring diagram car wire diagram car wiring schematic or car wire schematic can save yourself time and headaches. Mobile security convenience system.
One of the most time consuming tasks with installing an after market car alarm car security car remote start automatic remote starter car alarm sensor or. View our complete listing of wiring diagrams by vehicle manufacture. Door lock connection guide door lock harness wiring guide h21 h26 power door locks the system has door lock relays on board and can directly interface with most elec tric power door lock systems drawing 20 amps or less. View and download clifford matrix 1 installation manual online.
Before testing all the doors and windows must be shut. Directed has been recognized by mobile electronics retailers across the the country as the company with the best technical support according to mobile electronics magazines 2013 dealers choice awards. Tips for removing a car alarm system. This product is intended for installation by a 30 door lock wiring diagrams.
Clifford car alarm wiring diagram see more about clifford car alarm wiring diagram clifford car alarm wiring diagram. Responder le model security and remote start installation guide note. Clifford world class auto security system owners manual 900 iq 25 pages. View and download clifford tazor 4 installation manual online.
Identifying the door lock system for help in identifying the door lock system please refer to directed document 1041. Clifford products include car alarms remote starters smartstart interface modules accessories transmitters and remotes.