Printable DB
Gm Factory Radio Wiring Diagram
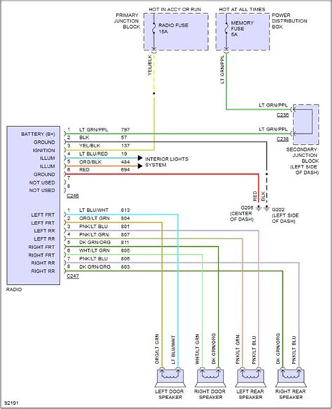
1998 ford f 150 v6 fuse box diagram
1040 sample form filled out 2017
asq certification exam pass rates
certificate design vector free download
2003 chevy astro cargo van
chemical bonding worksheet answer key
2002 ford explorer door ajar wiring diagram
business email writing samples pdf
Chevrolet Car Radio Stereo Audio Wiring Diagram Autoradio
I Need A Pinout Diagram For A Gm Factory Radio Part
Delphi Radio Wiring Harness Connectors Wiring Diagram
Gm Wire Color Gm Circuit Diagrams Electronic Schematics
04 Buick Regal Head Unit Installation Need Help Gm Forum
Chevy Tahoe Radio Wiring Diagram Wiring Diagram
2005 Corvette Bose Wiring Diagram Wiring Diagram
Gm Class Ii Rds Radio 12v Ignition Wiring
Gm Wire Color Gm Circuit Diagrams Electronic Schematics
Protege Radio Wiring Diagram Will Be A For Stereo Ram The Of
2002 Gm Stereo Wiring Harness Diagram Wiring Schematic Diagram
Stock Oem Stereo Wiring Diagrams Color Coded To Wiring Diagram
1937 Chevy Radio Wiring Diagram Schematic 14 3
Delco Radio Wire Diagram Colored Schematic Diagram
2002 Gm Stereo Wiring Harness Diagram Wiring Schematic Diagram
2004 Saturn Ion Quad Coupe Installing New Stereo And
2001 Suburban Radio Wiring Diagram Blog Stereo Example
Chevy Factory Wiring Diagram
2001 Chevy Malibu Radio Wiring Diagram Malochicolove Com
Tag Archived Of Wiring Diagram For Trailer Brake Controller
How To Chevy Silverado Stereo Wiring Diagram
Source :
pinterest.com
Popular Posts
Wiring Schematic 3 Way Switch
Work Proposal Templates
Video Conference Meeting Invitation Sample
Three Wire Control Wiring Diagram
Student Internship Offer Letter Sample
Stop Work Order Sample Letter
Ultimate Template Tool
Wiring Diagram Shunt Trip Breaker
Weekly Sales Manager Report Template
Template Excel Training Attendance Sheet
Wiring Diagram For Golf Cart Battery
Visitor Sign In Sheet Template
Tiny House Template
Steiger Tractor Wiring Diagram
Work Incident Report Sample Tagalog
Small Engine Wiring Schematic
Ultrasound Iv Certification
Whats The Best Resume Builder
Thesis Statement Template College
Vehicle Speed Sensor Wiring Diagram
Teenage Hygiene Worksheets
Wiring Diagram For 1968 John Deere 110
Solving Equations With Fractions And Decimals Worksheet
Simple House Wiring Circuit Diagram
Trolling Motor Foot Pedel Wiring Diagram
Ticket Template Free Word
Single Phase Ac Motor Capacitor Wiring
Transcelerate Common Protocol Template
Starbucks Receipt Rewards
Xbox 360 Headset Wiring Diagram
Simple Purchase Agreement Template For House
Solving Systems Of Equations By Substitution Worksheet
Social Media Calendar Template December 2019
Wiring Diagram For A Rj45 Socket
Toyotum Rav4 Headlight Wiring Diagram
Sony Xplod Speaker Wiring Diagram
Vehicle Insurance Template
Soccer Coach Resume Template
Update Contact Information Email Template
Usb Wire Color Diagram
Truck Trailer Wiring Color Code
Simple Home Budget Template Excel
Stock Purchase Agreement Template Word
To Do List Printable Cute
Vehicle Maintenance Checklist Template Excel
Viviscal Printable Coupon
Wifi Certificate Download
Tesol Certification Dallas
Statement Of Purpose Examples Engineering
Wiring Diagram For Liquid Level Switch
Social Work Simple Genogram Template
T5 Gearbox Wiring Backup Light Switch
Timer Filetype Pdf Star Delta Starter Control Circuit Diagram Pdf
Tri Fold Travel Brochure Template Free Download
Trane Furnace Motor Wiring