Printable DB
Isuzu Trooper Stereo Wiring Diagram Free Picture
wwi timeline worksheet
types of website templates
simple root cause analysis template
work from home contract template
super bowl box template
simple home budget template excel
von duprin 9975 template
teacher id card template free
2002 Isuzu Radio Wiring Diagram Wiring Diagram
Solved Wireing Diagram For A 95 Isuzu Rodeo Radio Fixya
Isuzu Trooper Stereo Wiring Diagram Free Picture Wiring
Isuzu Trooper Wiring Diagram Bcberhampur Org
2002 Rodeo Radio Wiring Color Code Wiring Schematic Diagram
2002 Isuzu Rodeo Radio Wiring Wiring Schematic Diagram
2002 Rodeo Radio Wiring Color Code Wiring Schematic Diagram
2002 Isuzu Radio Wiring Diagram Wiring Diagram
1989 Isuzu Trooper Wiring Wiring Schematic Diagram Wwww
Stereo Wire Harness Isuzu Rodeo 02 03 04 2004 Car Radio Wiring Installation
93 F150 Wiring Harness Diagram Wiring Diagram
2002 Isuzu Rodeo Stereo Wiring Diagram Epub Pdf Free
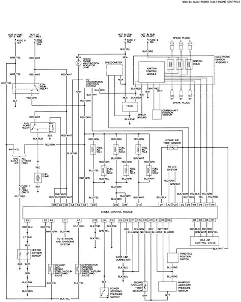
1994 Isuzu Wiring Diagram Wiring Diagrams Online
Repair Guides
1993 Isuzu Rodeo Stereo Wiring Diagram Wiring Library
1994 Isuzu Trooper Stereo Wiring Wiring Diagram
Isuzu Hombre Radio Wiring Free Diagram Printables Chevelle
Isuzu Mux Wiring Diagram Wiring Library
Car Stereo Wiring Harnesses Interfaces Explained What Do The Wire Colors Mean
Wiring Schematic For 1997 Isuzu Trooper Isuzu Wiring Diagram
93 F150 Wiring Harness Diagram Wiring Diagram
Source :
pinterest.com
Popular Posts
Consolidated Cash Flow Statement Excel Template
1990 Ford Mustang Engine Wiring Diagram
Avanti Ga Range Part Diagram
Best Friend Wedding Toast Samples
2006 Cobalt Engine Diagram
Chevy Tail Light Wiring Diagram 10
Blank Timeline Template 10 Events
Business Loan Presentation Sample
Baptist Fan Hand Quilting Template
7 Pin Trailer Wiring Harnes Jeep Wrangler
2008 Polari 700 Rmk Wiring Diagram Schematic
2002 Ford Ranger Fuse Diagram Pdf
1988 Isuzu Truck Engine Wiring Harnes
Business Ownership Transition Plan Template
1998 Cavalier
Blank Bingo Template Pdf
Bmw R1150r Engine Diagram
02 Ford Super Duty Fuse Box Diagram 7 3
1965 Mustang Color Wiring Diagram
4r75e Diagram
98 Savana Fuse Box
Adobe Motion Graphics Templates Free
1970 Pontiac Gto Fuse Box
Blueprint Powerpoint Template
Apc Up Diagram And Schematic
208 Vac 3 Phase Wiring Color Code
An Inconvenient Truth Worksheet
2019 Jeep Cherokee Radio Wiring Diagram
2004 Pontiac Gto Wiring Diagram
1996 Gmc Safari Fuse Box
1954 Ford Wiring Harnes
2008 Dodge Sedan
1966 Mustang Convertible Wiring Diagram
2012 Ford Focu Fuse Block Diagram
Bsa Lifeguard Certification
Bartender Certification Nc
Business Coaching Contract Template
2000 Malibu V6 Engine Diagram
Blank Meeting Agenda Template Free Download
93 Civic Underhood Fuse Box
Cls Certification Army
2006 Chevy Silverado Part Diagram
3rd Generation Radio Wire Diagram 1996 Nissan Truck
2011 Chevy Silverado Light Wiring Diagram
Best Project Tracking Template
2014 Dodge Ram 1500 Fuel Pump
Birth Certificate Black And White
2004 Honda Civic Ac Wiring Diagram
Cake Order Form Templates Microsoft
2005 Dodge Ram Fuel Filter
Childrens Bible Coloring Pages Printable
2009 Lincoln Zephyr
Car Installment Sale Agreement Template
2004 Sonatum Fuse Box Diagram
100 Day Plan Template Free