Printable DB
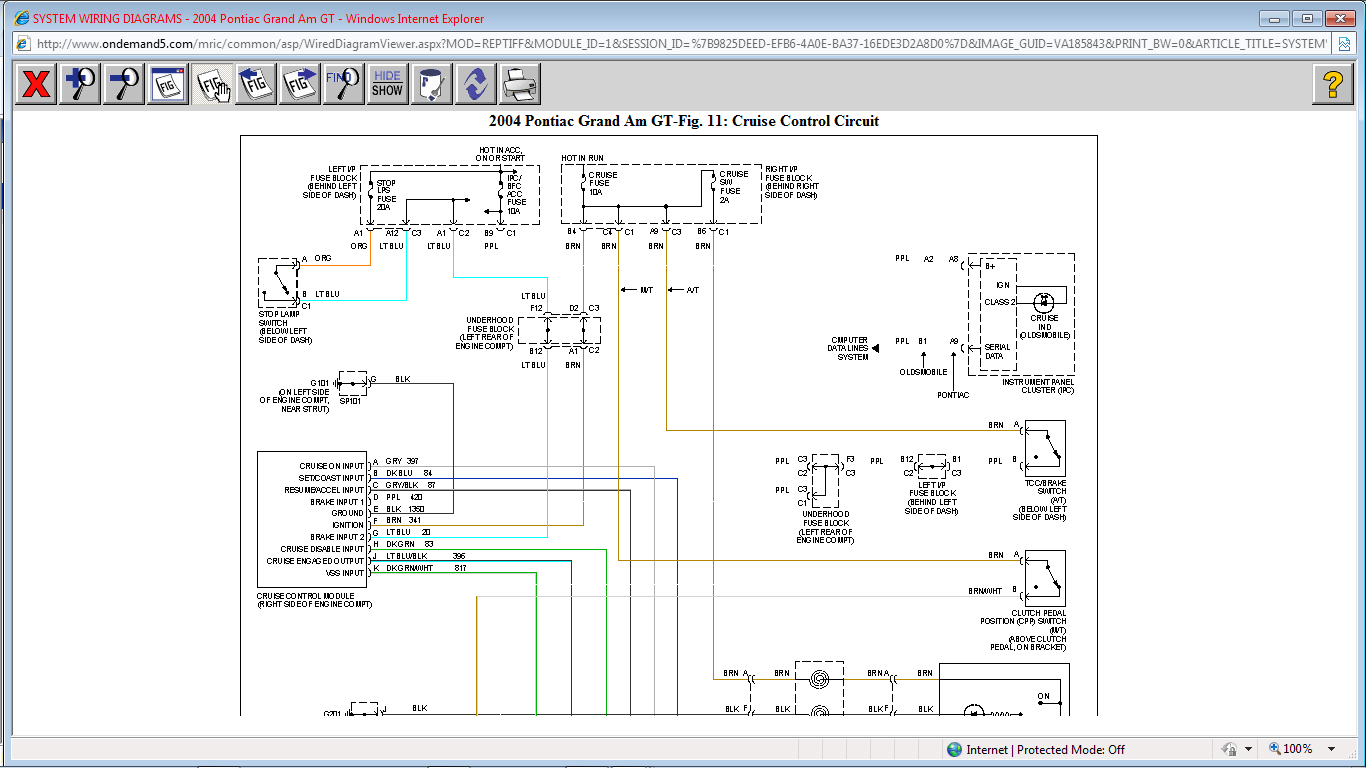
Pontiac Cruise Control Diagram
wiring for 4 line phone
skeleton puzzle printable
two birth certificates legal
template free free printable lined paper pdf
wiring receptacle 101
wiring diagram for ethernet wall jack
zumba instructor resume with no experience
word doc memo template
Cruise Control System
Pontiac Cruise Control Diagram Wiring Library
Cruise Control System
Solved The Cruise Control On My 2005 Grand Am Does Not Fixya
Cruise Control System
Pontiac Cruise Control Diagram Wiring Library
General Cruise Control Diagram Schematic Diagram
Gm Cruise Control Schematic Diagrams Wiring Diagram
Details About Pontiac Gm Oem 03 06 Vibe Cruise Control Module 88969667
2003 Ford F 250 Cruise Control Wiring Diagram Technical
2002 Pontiac Grand Prix Cruise Control Cruise Quit Working
2002 Pontiac Grand Prix Cruise Control Cruise Quit Working
Need Help Fixing My Cruise Control Dome Light And Fuel Tank
2003 Pontiac Sunfire Fuse Diagram Ricks Free Auto Repair
Details About Pontiac Gm Oem 05 06 G6 Cruise Control Switch 1999337
Cruise Control Vacuum Diagram Help Needed Honda Tech
Details About Pontiac Gm Oem 05 06 G6 Cruise Control Switch 1999337
Details About Pontiac Gm Oem 99 05 Grand Am Cruise Control Set Adjust Resume Switch 88987045
Dodge Cruise Control Diagram Schematics Online
Pontiac Sunfire Questions Throttle Cable Clip Cargurus
I Have A 2001 Pontiac Grand Am And Cruise Control Is Not
Source :
pinterest.com
Popular Posts
Squarespace Start With Blank Template
Vauxhall Wiring Diagram
Use Case Diagram For Prison Management System
University Outline Template For Essay
V Auto Wiring Diagram
Universal Golf Cart Turn Signal Wiring Diagram
View Death Certificates
Training Checklist Template Word
Word Meeting Itinerary Template
Weekly School Schedule Template Excel
Student Office Assistant Job Description For Resume
Yamaha G1 Cdi Box Wiring
Simple Project Plan Template Free Download
Suspension Engine Diagram Labeled
Word Vendor Form Template
Wordpress Spa Template
Statement Of Purpose Graduate School Education Teaching Sample
Vendor Due Diligence Report Template
Waterproofing Warranty Certificate
Sketch Email Template Plugin
Trailblazer Wire Schematic
Waiver Request Sample Letter Waiver Of Penalty For Reasonable Cause
Yamaha 350 1988 Wiring Diagram
Word Safety Meeting Minutes Template
Start Up Business Plan Template Pdf
Spa Brochure Templates
Word Document Free Editable Payslip Template South Africa
Wiring Diagram For 1981 Ford 302
United States Constitution Printable
Trane Ac Schematic
Volume Of A Sphere Worksheet 8th Grade
What Is A Memorandum Of Understanding Template
Smart Resume Format Pdf
Why Ssl Certificates Are So Expensive
Vw Mk3 Fuse Box Diagram
Uk Visa Sponsor Letter Template
Television Block Diagram
Training Workshop Proposal Sample
Wire Harnes Connector Pigtail
Simple Weekly Project Status Report Template
Vauxhall Zafira Door Wiring Diagram
Word Accounting Standard Operating Procedure Template
Templation Hotel Siem Reap Website
Warn Mini Rocker Winch Switch Upgrade Kit
Ups Maintenance Checklist Template
Work Experience Thank You Letter Template Year 10
Simple Purchase Agreement Template Word
Western Food Menu Sample
Workplace Harassment Report Template
Workforce Planning Certification
Subaru Baja Fuse Box Location
Sunday School Certificate Templates
Word Word Document Word Tri Fold Brochure Template
Wiring Diagram Chrysler 300
Super Teacher Worksheets Sign Up