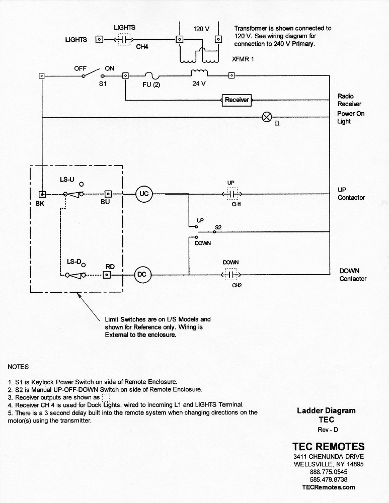
Tec Wiring Diagram

Evinrude e tec 300 evinrude e tec 250hq evinrude e tec 200hql evinrude e tec 150 evinrude e tec 130 evinrude e tec 90 evinrude e tec 60 evinrude e tec 50.
Tec wiring diagram. We produce an easy to install ul certified safe remote control for your boatlift davit or hoist. Stator ignition sensor inputs fuel injection system top orangeblue center orangepurple bottom top yellowwhite center bottom sensor 5v supply tps oil water pressure. Daytona twin tec llc 933 beville road suite 101 h s. Instructions and manuals are best downloaded from our individual product pages via the menu bar above.
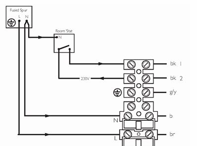
Etr06 manufacturers part no. Installation and user guides. Welcome to tec remotescom the answer to all your boat lift remote control lifting needs for your. Refer to the appropriate wiring diagram.
Lifts davits hoists or pwc. It shows the parts of the circuit as streamlined shapes and the power and also signal links in between the gadgets. This relay will convert a 12v supply to supply a 12s s type socket. Tec remotes have been building premium boat lift remote controls since 1995.
Use the dual fire hookup shown in figure 4 if you have an oe coil or other coil with two primary terminals. You have found the tec factory store for retail boat lift remote controls that offers tremendous savings to you the informed consumer. Evinrude outboard motor pdf manual download. Total engine control tec3r manual 111 tecgt users guide tecm users guide tecs users guide tec3 installation and calibration manual 200 series wiring pinout tecgt200 v03 manual tecs200 v01 manual xdi200 v01 manual extreme direct ignition xdi2 users manual xdi v18.
Download evinrude outboard e tec repair manual 15 250 hp september 23 2016 repair manual evinrude e tec repair manuals 9 an evinrude outboard motor e tec repair manual also termed etec or etech is a book of instructions detailing factory repair maintenance and overhaul procedures. A wiring diagram is a streamlined conventional photographic representation of an electric circuit. 30amp s type 12v tec3m self switching dual charge relay. Easy to wire as pin numbers are marked on the unit.