Printable DB
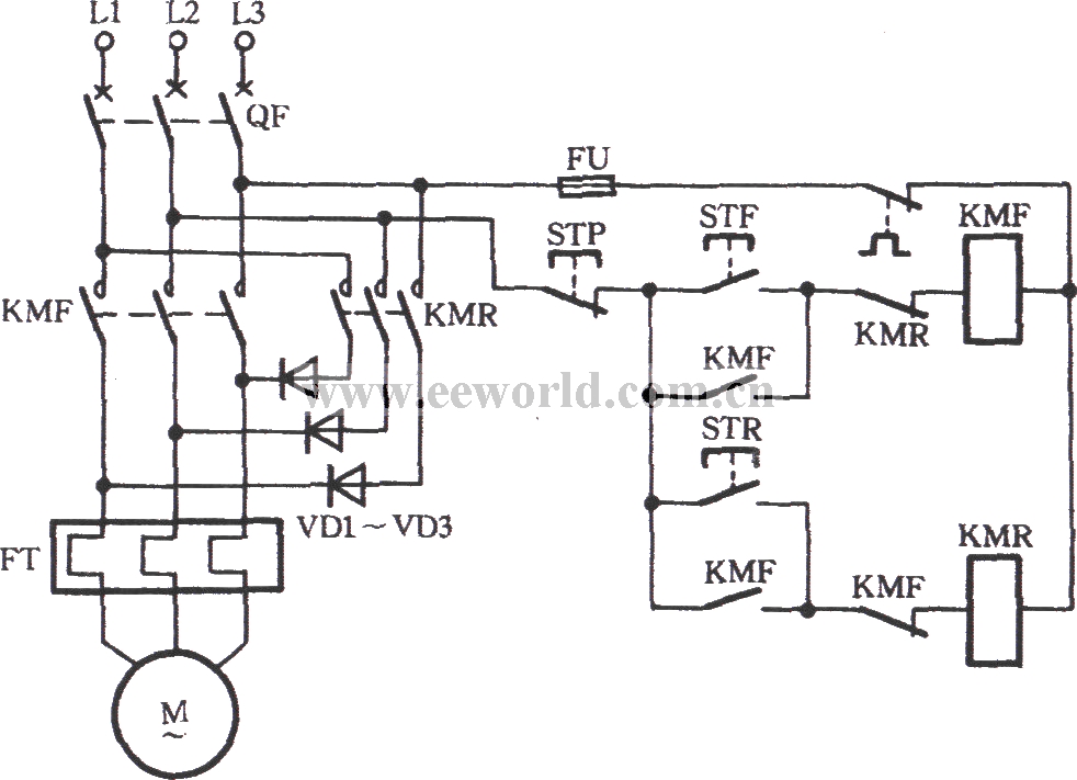
Three Phase Motor Reverse And Forward Connection
staples postcard template
student formal report writing sample
superhero and princess party invitations free printable
template dots and boxes game printable
wiegand wiring diagram
wiring diagram 2002 pontiac sunfire
skills to put on my resume
trenton wiring diagram
Rev For Three Phase Motor Connection Power And Control
Forward Reverse Motor Control Wiring Diagram For 3 Phase Motor Urdu Hindi
Reverse Forward Motor Control Circuit Diagram For 3 Phase Hindi Urdu
Forward Reverse Three Phase Motor Wiring Diagram Non Stop
Three Phase Motor Connection Star Delta Y D Reverse
Forward Reverse 3 Phase Ac Motor Control Star Delta Wiring
What Is A Forward Reversing Motor Control Circuit Quora
What Is A Forward Reversing Motor Control Circuit Quora
Turning Round 3 Phase Induction Motors Forward Reverse
Rev For Three Phase Motor Connection Power And Control
3 Phase Motor Forward Reverse Circuit With 2 Timer Connection Hindi Urdu
Forward Reverse Motor Control Diagram For 3 Phase Motor
Three Phase Motor Reverse And Forward Connection Reverse Forward Switch Connection
How Can We Switch A Single Phase Motor Forward Reverse And
Three Phase Motor Reverse Forward Connection In Hindi Hindi Urdu Youtube Seo Electro Technic
Electrical Wiring Diagram Forward Reverse Motor Control And
Three Phase Motor Connection Star Delta Y D Reverse
Forward Reverse Motor Starter Forward And Reverse Control
Reverse Forward Motor Control Circuit Diagram For 3 Phase
Y Connection Three Phase Motor Low Speed Running And Braking
Three Phase Motor Connection Star Delta Y D Reverse
Source :
pinterest.com
Popular Posts
Printable Macaron 2 Inch Circle Template
Legal Administration Certificate
Rover P4 Wiring Diagram
Printable General Release Form Template
Sample Letter To Us Embassy
Project Close Out Report Sample
Logistics Supervisor Resume Samples
Raffle Ticket Template Name Email Phone
Roofing Proposal Template
Power Jack Wiring
Music Studio Website Template
Sensormatic Ptz Camera Wiring Diagram
Professional Resume Writing Services Washington Dc
Requirements Sign Off Email Template
Printable Bookmark Template Word
Order Confirmation Email Template Design
Printable Mandala Stencils
Quote Template Word Free Download
Popcorn Box Template
Online Printable Flashcards Maker
Second Grade Fraction Worksheets
Quality Assurance Call Center Quality Scorecard Template Excel
Rental Agreement Sample Doc
Make Your Own Brochure Templates
Mlb Score Sheets Printable
Loan Agreement Template Word
Sample Party Invitation Letter
Lesco 036452 Wiring Diagram
Mla Format Annotated Bibliography Mla Template
Mercruiser Battery Wiring Diagram
Proof Employment Verification Letter Sample
Lb7 Fuel Filter Housing Leak
Salary Receipt Sample
Sample Resume For Teachers With Experience
Microphone With Cord
Mack Truck Electrical Diagram
Preventative Maintenance Certification
Premade After Effects Templates
Print Production Schedule Template
Pool Party Flyer Template Psd Free
Quit Claim Sample
Payslip Template Excel
Modern Le Paul Wiring Diagram
Personal Profile Write Up Sample
Printable Multiplication Worksheets Grade 5
Multi Level Bom Excel Template Free
Seriu Electrical Wire Diagram Fog Light
Pinewood Derby Templates Blank
Letter Settlement Agreement Letter Resolution Letter Sample Pdf
Printable Receipt Form Pdf
Seminar Report Acknowledgement Sample
Sample Real Estate Market Analysis Report
Personal Medical History Timeline Template
Male Resume Template
Outstanding Payment Demand For Payment Letter Template