2010 Polari Ev Wiring Diagram

A wiring diagram is a streamlined standard photographic representation of an electric circuit.
2010 polari ev wiring diagram. Collection of polaris ranger wiring diagram a wiring diagram is a streamlined standard photographic representation of an electric circuit it shows the parts of the circuit as simplified shapes as well as the power and also signal connections between the gadgets. Instead of using gasoline the polaris ranger ev is powered by eight 12 volt batteries. You can look at it online and it shows up to 2006. Polaris ranger ev electrical diagram wiring diagram megarh20ttbfrund ums backende 970.
Collection of polaris ranger wiring diagram. Ford 7 prong trailer wiring diagram ford wiring diagrams instructions. 2012 polaris rzr 800 efi eps r12vh76ab ad af ah ai aj rear shock. A sealed battery can be identified by its flat covers on the top of the battery.
Your ranger ev may have either a sealed battery which requires little maintenance or a conventional battery. Polaris ranger wiring diagram free wiring diagram. Inspirational 2010 polaris ranger 800 xp wiring diagram 2011. Polaris ev 2010.
Inspirational 2010 polaris ranger 800 xp wiring diagram 2011. Polaris ranger ignition wiring diagram download. Polaris ev 2012. 03 polaris predator wiring diagram 04 polaris predator wiring diagram 2004 polaris predator wiring diagram.
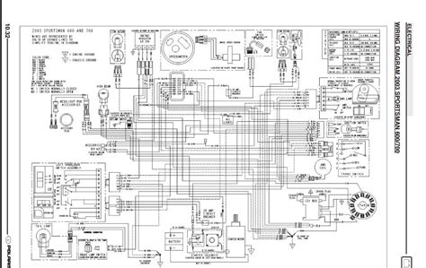
Polaris sportsman 500 wiring schematics 2007 polaris sportsman 500 wiring diagram 2008 polaris sportsman 500 wiring diagram free 2008 polaris sportsman 500 repair manual free download 2006. Publish on 14 jul 2019 by john kenny. It shows the parts of the circuit as simplified shapes as well as the power and also signal connections between the gadgets. Polaris ranger ignition wiring diagram download.
2010 polaris ranger ev wiring diagram. Apparently not even t e clymer manual has a wiring diagram for the 2007 500 sportsman ho carb. Polaris ranger ignition wiring diagram collections of polaris ignition wiring boat wire center. The batteries are located under the seat.
Collection of polaris rzr wiring diagram download collections of wiring diagram for 2005 polaris ranger wiring wiring diagrams. Ranger diesel 2011. Published through tops stars team at september 29 2017. This kind of impression polaris ranger ev wiring diagram polaris ranger ev wiring diagram regarding polaris predator wiring diagram above can be labelled together with.
Ranger ev 2011.